• 电话咨询
  • 0510-85011146
  • 0510-85012782
  • 值班电话
  • 15052111101
  • 微信“扫一扫”

设为首页    加入收藏

联系电话:0510-85011146

传真电话:0510-85010684

  产品与服务
  PRODUCTS & SERVICES
  电接点压力表
  隔膜式压力表
  远传压力表
  钻探机械用压力表
  泥浆泵专用压力表
  不锈钢压力表
  一般压力表
产品详细
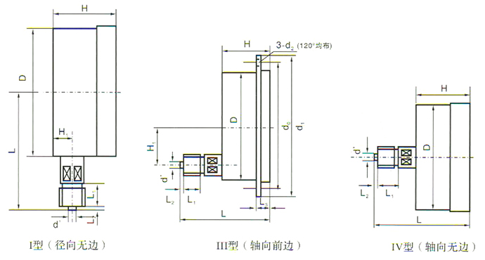
产品名称: YZ系列压力真空表
产品类型: 一般压力表

     该系列仪表适用于测量无爆炸危险、不结晶、不凝固及对铜和铜合金不起腐蚀作用的液体、气体和蒸气等介质的正负压力。



公司地址:无锡市钱桥溪南工业园威尔路11号 销售热线:0510-85012782,0510-85011146 QQ:1464789729 传真:0510-85010684 值班电话:(0)15052111101
版权所有:无锡市压力仪表厂有限公司 苏ICP备05018593号-1 技术支持:无锡跨度数据科技有限公司